Daniel Schramm


     

Projects

Schliessanlage 

Cat5 Cable Checker 

Einschaltverzögerung  Belichtungstimer 

Exposure Timer 2 

Solder Station 

Slave Flash 

MP3 Player 

MP3 Player Touch 

Home Automisation 

Can Bus Schield for Banana Pi 

PCBs

Veroeffentlichungen

Contact


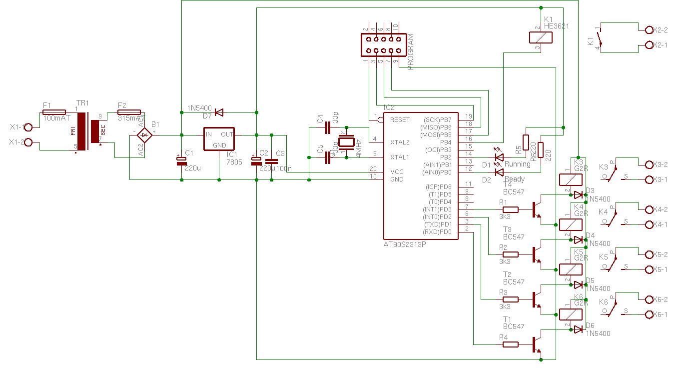
   [shematic]
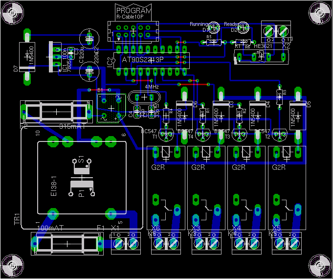
[board]

    last change to verz_hardware.html: 2003/11/09